Το καλάθι είναι άδειο
Περιγραφή
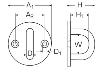
Ανοξείδωτη στρογγυλή βάση με ενσωματωμένο συγκολλημένο δακτύλιο, σχεδιασμένη για ασφαλή στερέωση και στήριξη σε ναυτιλιακές και βιομηχανικές εφαρμογές.
Κατασκευασμένη από υψηλής ποιότητας χάλυβα AISI 304 (A2), προσφέρει εξαιρετική αντοχή στη διάβρωση και μακροχρόνια αξιοπιστία σε εξωτερικούς χώρους.

| A1 | A2 | H | H1 | W | D | D1 |
|---|---|---|---|---|---|---|
| 33mm | 18mm | 19mm | 11mm | 13mm | 5mm | 4,5mm |
| 40mm | 22mm | 26mm | 17mm | 16mm | 6mm | 4,5mm |
| 50mm | 28mm | 32mm | 21mm | 20mm | 8mm | 4,5mm |